Layout
Bypassing
 Decoupling
  Home
 Shielding
 Groundplane
  Links
             
Layout, Bypassing,  D E C O U P L I N G, Shielding and Groundplane
 
  Layout = Stability = E M C = Performance
  Bypassing = Shunting = Diversion = Stabilization
  Decoupling = Isolation = Separation = Noise Reduction
  Shielding = Blocking = Impeding = Protection
  Groundplane = Return  = Sinking  = Referencing
       
Introduction
As digital gets faster and faster, it starts to look more like analog than digital. It is necessary to have a good understanding of the Analog/RF like properties of fast digital. Attention must be paid to such things as Transmission Line effects like: impedance matching, series and parallel termination, microstrip layout; propagation of very high frequencies to and from the circuit; crosstalk, proper bypass, decoupling, shielding techniques, as well as ground plane design. 

Because of the speed of this demand  (nsec) the frequencies are in the many hundreds of MHz. And, any conductor/wire between the gate power pin and the power source can look like an unacceptable high resistance (.....). 
In the world of fast edge sensitive logic, it is a simple matter to conceive of "inappropriate communications" between logic elements through the power rail. 

Going back to basics: the definition of a voltage source is that it has Zero Impedance out! If you could enforce that definition at the power pin of every logic element, then life as we know it, would be GOOD! 

Something as simple as placing a capacitor between Vcc and Grd. of each logic element--chip, will effectively create this near Ideal power supply--Zero ohms output impedance!

Bypass, Decoupling, Shielding and Groundplane 

Bypass, decoupling, shielding and groundplane are the properties that allow circuits -- digital and analog -- to function or work properly. The reason is simple: let's say you have a cascade of amplifier stages that are boosting or amplifying an otherwise weak signal. The input is very sensitive to small signals, and successive stages are drawing progressively more current in order to produce the larger replica of this weak input signal. In doing so, the output stage draws large amounts of current at varying rates. This large varying current is seen by the more sensitive input stages through the common power supply rail, which serves all stages. This can happen if the power rail, be it wire or PCB traces, is of sufficiently high impedance. Even if the power supply were "Ideal," (zero ohms) this can still happen: as the frequencies go higher, the inductive reactance, of the leads or PCB traces, increases. For example, if some fast transitions of the input signal caused a resulting perturbation on the power supply rail to propagate down that rail to all of the other circuits, the resulting effect can be oscillations or some sort of instability which could cause distortion or even render the circuit inoperative. One can think of it as inappropriate feedback between stages, facilitated by the power rail not appearing as a virtual AC ground.
Decoupling

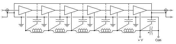
There are instances where the power distribution between stages cannot be sufficiency bypassed. In this case, the designer might be tempted to use several different power supplies. However, by supplying the DC power to each stage through a separate inductor or "choke," while also bypassing to ground that stage, the effect is the same. That is to say, the choke offers a high impedance path to any errant signals or noise between stages, while offering a very low resistance path to the DC power: this is known as decoupling. Active devices such as voltage regulators can also be used for decoupling stages. 

In fact, considering the size of inductors as compared to surface-mount voltage regulators: regulators might be the better choice. One might better understand this by recognizing the fact that a choke or inductor is one of the two needed components for a resonate circuit. Therefore, the combination of decoupling inductor and bypass capacitor could just happen to resonate at the wrong frequency. Having said that, it might be obvious that the inductor needs to be as small a value as is reasonable, and the bypass capacitor as large as practical. This is essentially correct, however, there is still the possibility of the resonant frequency of this combination to cause mischief. And, if that weren't enough, the inductor itself can be self resonant. This is caused by the distributed capacitance between windings, i.e., one turn of wire to the adjacent turn of wire, etc...

One more thing to consider about chokes: the "Q" or quality of the inductor has an effect on its efficiency. As previously stated, the inductor should appear as a short circuit to the DC power it is carrying, and a high impedance to any AC, i.e., no series "R." In the practical world this isn't feasible. However, if heavy current carrying chokes are required, then the choke must have higher "Q," i.e., less wire which means lower "R." This can be achieved by using chokes with ferrite cores, which need considerably less wire for the same value of inductance: it is truly a multiplier of "Q." Also ferrite beads, i.e., very small donut or tubular shaped ferrite, are regularly used for circuit isolation, effectively preventing parasitic oscillations, etc. The down-side of ferrite, is that it will change inductance as the current or flux changes. In the case of large currents, it can saturate. However, by correct component choice -- frequency, AC and DC current, etc. -- ferrite is great tool for the designer.
1...Decoupling is used where the supply voltage cannot be lowered, i.e., if one needed a noise-free +12 volts on a PC bus, say. One could get a "clean" +12 volts with a voltage regulator... if only there was +15 volts or higher to start with. But such is not the case. So you use a high "Q" inductor (RFC choke) along with the proper bypass capacitor to effectively lowpass filter the +12 volt supply rail. For a real noisy supply you can use more than one inductor: a "pie" network for example. 

2...One of the most efficient inductors is the ferrite toroid. It has high "Q" -- low "R" -- and because of its toroidal shape its fields are confined, and therefore has little stray fields. The super star of high "Q" inductors or transformers is the pot core. And of course, don't forget the ferrite bead. Thread the wire through the bead once or several passes and it may be just what the doctor ordered. 

3...Decoupling is only as good as the components that you use. The capacitor part of the network should be high "Q" and minimum inductance: the noise is dropped across the inductor, and the capacitor must exclude the remaining noise. Another way of saying it: in a perfect world the inductor is an open circuit to noise (AC) and the capacitor is a dead short -- Zero, Nada, Caput, Zilch; "This here parrot is dead." The slightest inductance in series with that capacitor, and some very high frequency noise will come through like Gang Busters!.... Anyway nuff said. 

4...SMT or chip capacitors made of ceramic are best. Also, sometimes in critical circuits, several size caps in parallel are appropriate, e.g., 1ufd || .1ufd || .001ufd, etc. The reason for this is as the capacitors become smaller in value, they also get physically smaller, hence less inductance. However this is less the case with SMT caps: consult your capacitor data sheets for the impedance verses frequency plots. Didn't he just say that? 

Using Linear Voltage Regulators for Decoupling
Linear Regulators 

1..Read the data sheet. The needes and capabilities of the regulator are in there somewhere; they might not jump out and bite you right away, but they are there. 

2..The use of three terminal linear voltage regulators, like the 78xx and 79xx devices, is fairly straightforward. However, there are a few things to remember: Always bypass -- there's that word again! -- the input pin and the common pin with a ceramic capacitor no smaller than 0.3 ufd, and use absolutely the shortest leads possible (there are some transistors with pretty high f t in that regulator, and if you furnish enough reactance of the right kind, Mr. Oscillation will visit you again). 

3..If your regulator is furnishing power to a capacitive load, and the primary power is removed -- like unplugging a PC card, or disconnecting an experimental setup -- the charge in that capacitive load will cause the secondary or output of the regulator to be more positive than the primary or input. If this reverse voltage exceeds the regulator's ratings it will blow up. To prevent this sort of failure, a diode is placed between the input and output, such that, when reverse voltages are present, the diode conducts preventing damage. (see Figure) 
 

4..There will come a day (or night) when you may need an eight volt regulator, and all you have is a 7805, five volt regulator. By inserting a voltage equal to the difference in the common lead, "Voila," you have 8 volts. You can do this by inserting a zener diode or a low resistance voltage divider (or a pot for variability). If all else fails, insert a series of silicon diodes (cathodes toward Grd.) @ .6 volts per, until you have the desired output. 
 
5..These regulators don't need an output capacitor per se, but a minimum of 1 ufd is recommended to prevent fast load pulses from causing needless error correction by the regulator. As for the primary or input capacitance, it depends on the ripple content from the primary voltage: If the voltage is straight from the rectifier, then obviously large capacitors are required -- assuming a large load on the regulator's output. The greater the difference between the input voltage and the output voltage, the less stringent the capacitor requirements.
 

6...In the data sheet -- you know, that funny looking piece of paper that causes you to squint, and makes your head feel funny -- In the data sheet, there is information on forward drop, Vfwd, of the regulator at some current. This means that if the primary voltage is near the desired secondary voltage at some current, you may be in "Deep Dudu." The greater the difference between the input voltage and the output voltage, the easier life is: if the rating of the regulator is a 1.1 volt drop at 500 ma, and you have a 5 volt margin -- say -- you are in fairly good shape; if you have, on the other hand, a 10 volt margin, you're in great shape!

  LINKS

   
     
     

 
 Layout
Bypassing
 Decoupling
  Home
 Shielding
 Groundplane
  Links
             

Under Construction in Perpetuity

Web Author:
Glen A. Williamson 
Suggestions are Solicited, P l e a s e !